咨(zī)询热线:

159 5656 2678

全国统一(yī)热(rè)线(xiàn):
0551-63852597
15956562678
联系人:王经理

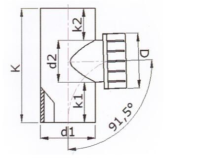
检查口

HDPE排水管件(jiàn) 用于同层、虹吸排水系统
产品详(xiáng)情

注:产(chǎn)品尺寸仅供参考,实际尺寸以实物(wù)为准。
 
检查口带有可开启检查盖的配件,装设在排水立管及较长横管段上,作检查和清通之用。
 
检查口一般装于立管,供立(lì)管与横支管连接处有异物堵塞(sāi)时清掏用。铸铁排水立管上检(jiǎn)查口间距不(bú)大于10m,塑料排水立(lì)管宜每六层设置一个检查口(kǒu)。但在最底层和(hé)设有卫生器具的两层以上建筑物的最高层必(bì)须设置检(jiǎn)查口,平顶建筑可用通气口代替检查口。另外,立管如装有乙字管,则应在(zài)乙字管上部设(shè)检查口。当排水横支管管段超过规定(dìng)长度时,也应设置检查口。在水流偏转角大于45°的排水横管上,应设检查口或清扫口。立管上设置检查口应在地(楼)面以上1.0m,并应高于该层卫生器具上边缘0.15m。

留言反馈(kuì)
  • *联系人:
  • *手机号码:
  • *电子邮件:
    联系方式
  • 地址(zhǐ):合肥市物流大道馥邦广(guǎng)场6层
  • 电话:0551-63852597 / 15956562678
    关注我们

安徽雨鸿建(jiàn)筑(zhù)工(gōng)程有限(xiàn)公(gōng)司 版权所有    皖ICP备16014798号-1    皖公网安备 34012202340410号

技术(shù)支持:合肥思讯网络(luò)

网站地图 17C.嫩草在线观看免费-17C.C-起草视频免费观看-.17C.COM羞羞视频-17C 嫩草色在线观看免费