谘詢熱線:

159 5656 2678

全國統一熱線:
0551-63852597
15956562678
聯係人:王經理

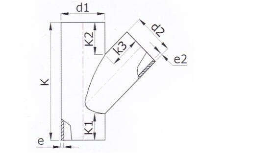
45°Y型三(sān)通

HDPE排水管件 用於同層、虹吸(xī)排水係(xì)統
產品(pǐn)詳情

 
三通又(yòu)稱管件(jiàn)三通或者三(sān)通管件,三通接頭等(děng)。主要(yào)用於改變流體方向的,用在主管道要分支管處。
 
三通是具有三個(gè)口子,即一個進口,兩個出口;或兩個進口,一(yī)個出口的一種化工管(guǎn)件(jiàn),有T形(xíng)與Y形,有等徑管口,也有異徑管(guǎn)口,用於三條相同或不同管路匯集處。三通的主要作用是改變流體方向的。
 
可用於(yú)輸水管(guǎn)路(lù)、輸油管路及各種液(yè)體化(huà)工材料輸送管路(lù),還可以用於水利節約水供水排水,大壩上的就有三能呀,還(hái)有能源比如天(tiān)然氣,核工業,石油還有建築工程等領域 
留言反饋
  • *聯係人:
  • *手機號碼:
  • *電子郵件:
    聯係方式
  • 地址:合肥市物流大道馥邦廣場6層
  • 電話:0551-63852597 / 15956562678
    關注我們

安徽雨(yǔ)鴻建築工程有限公司 版權所有    皖ICP備16014798號-1    皖公網安備 34012202340410號

技術支持:合肥思訊網絡

网站地图 17C.嫩草在线观看免费-17C.C-起草视频免费观看-.17C.COM羞羞视频-17C 嫩草色在线观看免费